Соларни помпени системи

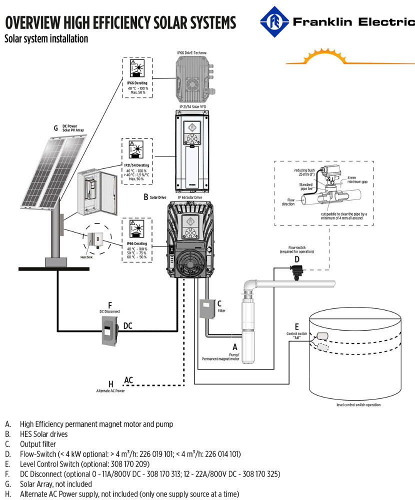
Тези системи, най-общо казано, се състоят от слънчеви панели, които превръщат слънчевата радиация в електрически ток, който задвижва водната помпа. За да използваме тази генерирана мощност за управление на стандартна електропомпа ни е необходим соларен инвертор. Той превръща създадения в панелите постоянен ток в променлив, който е подходящ за електродвигателя на помпата.

Освен тези основни елементи са необходими и някои допълнителни, без които помпата не може да работи:

  • кабели;
  • ел. табло;
  • конструкция, която носи соларните панели и др.

След като тази система се изгради и настрои правилно, тя ви осигурява вода за напояване, пълнене на резервоари, циркулация на басейни и много други. И всичко това без нуждата от ел. захранване, течни горива, без никакви консумативи и поддръжка.

Това е бъдещето.

 

Производител

Запитване

Ние знаем от коя страница изпращате запитването.
Вашите данни са необходими, за да можем да се свържем и отговорим на въпроса Ви.